
岂论是在竖立物中还是在坐褥车间,如今在职何所在皆需要可编程限度器来调养多样坐褥经由、机器和系统。这就触及到与联系器件集合的可编程逻辑限度器或散布式限度系统模块。为了限度这些器件,PLC或DCS模块时常具有提供电流输出、电压输出或二者的组合的输出模块。工业限度模块的尺度模拟输出电压和电流范围为±5V、±10V、0V至5V、0V至10V、4mA至20mA和0mA至20mA。终点是在工业范围欧洲杯体育,时常需要对微限度器和输出外设进行电气袭击。 本文援用地址: 传统处治决议领受分立式贪图,不错将微限

岂论是在竖立物中还是在坐褥车间,如今在职何所在皆需要可编程限度器来调养多样坐褥经由、机器和系统。这就触及到与联系器件集合的可编程逻辑限度器或散布式限度系统模块。为了限度这些器件,PLC或DCS模块时常具有提供电流输出、电压输出或二者的组合的输出模块。工业限度模块的尺度模拟输出电压和电流范围为±5V、±10V、0V至5V、0V至10V、4mA至20mA和0mA至20mA。终点是在工业范围欧洲杯体育,时常需要对微限度器和输出外设进行电气袭击。
本文援用地址:
传统处治决议领受分立式贪图,不错将微限度器的数字信号弯曲为模拟信号,或提供不同的模拟输出,并结束电气袭击。然而,与集成式处治决议比较,分立式贪图有很多舛误。举例,组件数目多,导致系统相等复杂,电路板尺寸大,老本高。短路耐受才调甚而故障会诊等其他特质更突显了这些颓势。
较好的处治决议是在单芯片上尽可能整合更多的功能,举例,ADI公司的高精度16位DAC AD5422。除了数模弯曲,它还提供透彻集成的可编程电流源和可编程电压输出,大致餍足工业经由限度欺骗的需求。
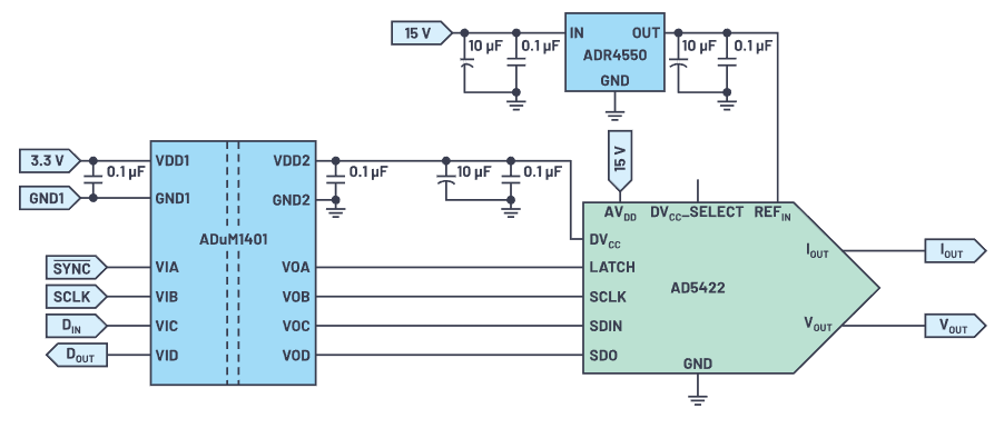
图1.使用AD5422和ADuM1401结束模拟输出级袭击限度的简化示例电路。图1知道可透彻袭击限度输出模块的模拟输出级的示例电路。它终点适合需要4mA至20mA尺度电流输出和单极性或双极性输出电压范围的经由限度欺骗中的PLC和DCS模块。这里AD5422与 ADuM1401 四通谈数字袭击模块组合使用。
16位DAC AD5422的输出可通过串行外设接口(SPI)成立。该模块还集成会诊功能,这在工业环境中很灵验。微限度器和DAC之间所需的绝缘电阻可通过ADuM1401结束,ADuM1401的四个通谈用于与AD5422结束SPI集合:三个通谈(LATCH、SCLK和SDIN)传输数据,第四个通谈(SDO)收受数据。
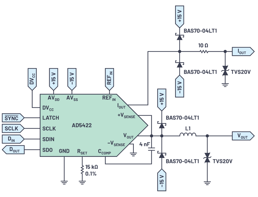
终点是在工业欺骗中,必须提供大致抗高干涉电压的可靠输出。IEC 61000等尺度中礼貌了可靠性条目,举例,其中指定了磋磨电磁兼容性(EMC)的条目。为了适合这些尺度,输出端需要有迥殊的外部保护电路。一种可能的保护电路如图2所示。
图2.用于AD5422输出的适合IEC 61000尺度的保护电路。电流输出(IOUT)不错在4 mA至20 mA或0 mA至20 mA范围内选拔设定。电压输出通过单独的VOUT引脚提供,该引脚的电压范围可成立为0 V至5 V、0 V至10 V、±5 V或±10 V。所有这个词电压范围的超量程均为10%。两个模拟输出皆具有短路和开路保护功能,不错驱动1 μF的容性负载和50 mH的理性负载。
AD5422需要10.8 V至40 V的模拟电源(AVDD)。关于数字电源电压(DVCC),则需要2.7 V至5.5 V。或者,DVCC也可算作系统中其他组件的电源引脚或上拉电阻的终局。为此,DVCC_SELECT引脚应浮空,并向DVCC引脚施加里面4.5 V LDO稳压器电压。最大可用电源电流为5 mA。在所示电路中,DVCC用于向ADuM1401的电气袭击端供电。
使用ADR4550 外部基准电压源可从16位DAC得回高精度瓜代着力。这是一款高精度、低功耗、低噪声基准电压源,最大运行精度为0.02%,具有出色的温度自如性和低输出噪声。
本文所示的电路终点适用于PLC或DCS模块的输出模块欧洲杯体育,这些模块同期提供电流和电压输出,况兼必须适合IEC 61000等EMC尺度。
声明:新浪网独家稿件,未经授权谢却转载。 -->